首页
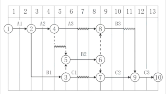
某双代号时标网络计划如下图(时间单位:天),工作总时差正确的有( )。
2024-11-09 10:56:02
建设工程项目管理【新版】
某双代号时标网络计划如下图(时间单位:天),工作总时差正确的有( )。
A、TFA1=0
B、TFA2=1
C、TFA3=2
D、TFc1=2
E、TFB3=1
【正确答案】:ABCE
上一篇:
下列工程质量事故发生的原因中,属于技术原因的有( )。
下一篇:
某双代号网络计划如下图(时间单位:天),其关键工作有( )。