首页
14. 画出用三只单相有功电能表计量三相四线有功电能,采用经TA接入、分用电压线和电流线的接线图。
2023-11-09 05:27:07
装表接电题库
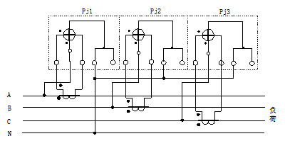
1
14. 画出用三只单相有功电能表计量三相四线有功电能,采用经TA接入、分用电压线和电流线的接线图。
上一篇:
13. 画出用220伏三相三线有功电能表计量单相380伏电焊机等设备的接线图(经TA接入,分用电压线和电流线)。
下一篇:
15. 有三台单相三线圈(原方一线圈,副方一线圈)电压互感器,画出接‘Y/Y<sub>0-12</sub>/开口三角形’组别连